
Исполнительный механизм Шэньжунь Кэцзянь (малогабаритные воздушные клапаны ) Электрический привод регулирующего клапана представляет собой управляющее устройство с электрическим приводом, предназначенное для точного регулирования степени открытия клапана с целью управления параметрами потока р...
Исполнительный механизм Шэньжунь Кэцзянь (малогабаритные воздушные клапаны )
Электрический привод регулирующего клапана представляет собой управляющее устройство с электрическим приводом, предназначенное для точного регулирования степени открытия клапана с целью управления параметрами потока рабочей среды, такими как расход, давление и температура.
Приводной электродвигатель: обеспечивает мощность, преобразуя электрическую энергию в механическую.
Редуктор: преобразует высокую скорость вращения двигателя в крутящий момент, подходящий для работы клапана.
Управляющий модуль: принимает управляющие сигналы, вычисляет целевое положение и приводит двигатель в действие.
Датчик положения: в режиме реального времени отслеживает положение исполнительного механизма, формируя замкнутый контур управления для обеспечения точного позиционирования.
Механические передаточные компоненты: преобразуют вращательное движение двигателя в линейное или угловое перемещение клапана.
| Электрический привод регулирующего клапана Шэньжунь Кэцзянь | |
| Модель | SRKJ-AC220V-K2 |
| Напряжение питания | ~220 В, 50 Гц |
| Потребляемая мощность | 6 Вт |
| Номинальный крутящий момент | 20 Н·м (±10%) |
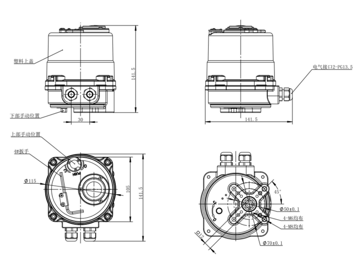
| Присоединительные размеры | F05 + F07 / 12×12 мм |
| Диапазон рабочих температур | от -25°C до +70°C |
| Относительная влажность | ≤90% RH |
| Эксплуатационные условия | В помещениях без агрессивных, взрывоопасных или горючих сред |
| Форма управления | Тип с переключателем |
| Степень защиты | IP67 (полная защита от пыли, временное погружение в воду) |
Получение командных сигналов от системы управления (например, PLC, DCS).
Встроенный интеллектуальный контроллер анализирует сигнал, вычисляет целевое положение и приводит двигатель в действие.
Посредством редуктора и механических передаточных компонентов вращательное движение двигателя преобразуется в открывающее/закрывающее или регулирующее действие клапана.
Датчик положения в реальном времени передает информацию о положении клапана, формируя замкнутый контур управления для точного достижения клапаном заданного положения.
При верхнем ручном управлении: После снятия верхней резиновой защитной крышки вставьте ключ №4 в отверстие ручного приводного вала и поверните в нужном направлении.
При нижнем ручном управлении: Закрепите шестигранник нижнего ручного вала с помощью ключа №8 и поверните в нужном направлении.