
Исполнительный механизм Шэньжунь Кэцзянь (тоннельные клапаны) Электрический исполнительный механизм предназначен для автоматического управления оборудованием и устройствами на трубопроводах, осуществляя их открытие/закрытие и регулировку, заменяя тем самым ручной труд. При нормальном электроп...
Исполнительный механизм Шэньжунь Кэцзянь (тоннельные клапаны)
Электрический исполнительный механизм предназначен для автоматического управления оборудованием и устройствами на трубопроводах, осуществляя их открытие/закрытие и регулировку, заменяя тем самым ручной труд. При нормальном электропитании механизм обеспечивает открытие или закрытие оборудования в соответствии с требованиями пользователя. В случае аварийного отключения электроэнергии оборудование и устройства останавливаются в последнем положении и не возвращаются автоматически в безопасное положение (полностью открытое или полностью закрытое).
Поворотный электрический исполнительный механизм с пружинным возвратом относится к механизмам с механическим накоплением энергии. При нормальном электропитании такой механизм приводит оборудование в действие с помощью электродвигателя, одновременно заряжая пружину. При аварийном отключении системы пружина высвобождает энергию, приводя в действие исполнительный механизм и возвращая оборудование и устройства в безопасное положение (полностью открытое или полностью закрытое).
Механическая часть исполнительного механизма с пружинным возвратом включает приводной узел, узел накопления энергии и узел блокировки энергии. Эти три узла образуют полную кинематическую цепь посредством зубчатой передачи. Их отличительные особенности - компактная конструкция и малые габариты.
Кроме того, механизм имеет стандартное ручное управление, позволяющее оператору вручную переводить оборудование или устройство в нужное положение с последующей фиксацией с помощью блокировочной кнопки. При возобновлении электрического управления ручная разблокировка не требуется.
| Модель | ETM050 | ETM150 | ETM300 | ETM500 | Примечание | 
| Выходной крутящий момент | 50 | 150 | 300 | 500 | |
| Мощность (Вт) | 30 | 40 | 90 | 180 | |
| Частота (Гц) | 50/60 | ||||
| Режим работы | S2-15 минут | ||||
| Время открытия (сек) @50Гц | 27 | 27 | 28 | 30 | |
| Время возврата пружины (сек) | ≤10 | ≤10 | ≤10 | ≤10 | |
| Срок службы пружины (циклов) | 20000 | 20000 | 10000 | 9000 | |
| Присоединительный фланец (ISO5211) | F07/F10 | F07/F10 | F10/F14 | F12/F14 | |
| Температура окружающей среды (°C) | -30~+60℃ | ||||
| Влажность окружающей среды (при 25°C) | 95% | ||||
| Степень защиты (IP) | IP67 | ||||
| Ручное управление | Есть (включено) | ||||
| Способ ручного управления | Операции при отключении питания (отключение системы питания) | ||||
| Направление возврата при отключении питания | Выключено (направление включения выбирается по опции) | ||||
| Кабельный ввод | 2* NPT3/4 | ||||
| Смазка | Смазочное масло | ||||
| Способ ограничения хода | 2 открытых/2 закрытых ограничительных переключателя | ||||
| Сигналы положения (режим переключателя) | 2-х проводная/3-х проводная | ||||
| Механические упоры | Механическое ограничение полностью закрыто | ||||
| Вес (кг) | 32.5 | 35.5 | 52.5 | 77.5 | Ручное управление не предусмотрено | 
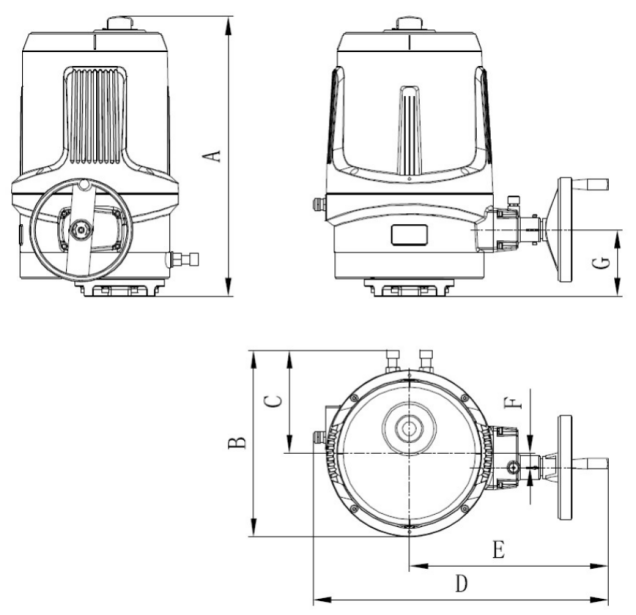
ETM050、ETM150、ETM300
 
					Единица измерения: мм
| Размеры Модель | A | B | C | D | E | F | G | Вес (кг) | 
| ETM050 | 485 | 309 | 160 | 587 | 413 | 39.6 | 122 | 35 | 
| ETM150 | 38 | |||||||
| ETM300 | 532 | 329 | 171 | 603 | 419 | 26.7 | 126 | 55 | 
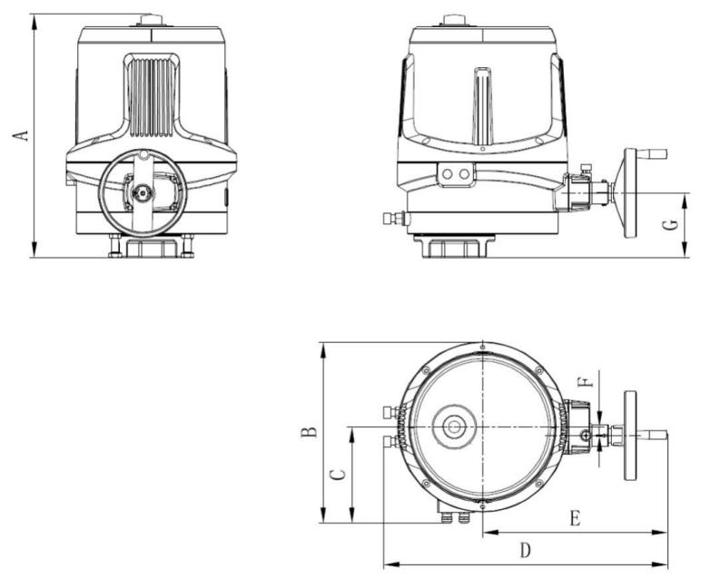
ETM500
 
					Единица измерения: мм
| Размеры Модель | A | B | C | D | E | F | G | Вес (кг) | |
| ETM500 | 564 | 410 | 220 | 652 | 441 | 19 | 143 | 80 | |
| 
 | 
 | 
 | |||||
| Модель | ISO 5211 Присоединительный фланец выхода | d3 | d4 | S | d7 | S | Выступ вала L5 | 
| ETM050 | F07 | 70 | M8 | 11/14/17/22 | 14/18/22 | 11/14/17/22 | 
 
 38 | 
| F10 | 102 | M10 | |||||
| ETM150 | F07 | 70 | M8 | 17/19/22 | 18/22 | 17/19/22 | |
| F10 | 102 | M10 | |||||
| ETM300 | F10 | 102 | M10 | 19/22 | 22/25* | 19/22 | |
| F14 | 140 | M16 | |||||
| ETM500 | F12 | 125 | M12 | 22/27 | 28/36 | 22/27 | 55 | 
| F14 | 140 | M16 | |||||
